Palezu kirjoitti:Ei ole rajoitettu cdi, ainakaan sillä lailla että alkaisi yhtäkkiä pätkimään. Kaikennäköisiä puheita liikkuu että ei kierrä vakio cdi:llä yli 10000, mutta ameriikan maalla joku saanut kulkemaan vakiosähköillä 85km/h viilaamalla pyttyä, ja samoilla sähköillä mutta 103cc:ksi poratulla ja stroukatulla koneella jotain 110km/h ja yli 11000rpm, että ei niiden sähköjen minusta pitäisi rajoittaa... mulla ois multivari mutta en oo varma raaskinko myydä
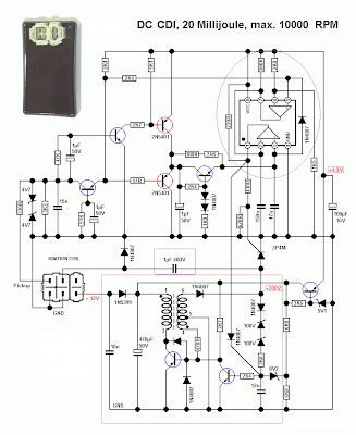
Nuissa on eri CDI, pelkästään euroopassa on tätä max 10k rpm mallia.
http://2.bp.blogspot.com/-icMEoat2waY/T ... edited.PNG
